Sandia’s Cellular Statuettes in Silica

Click to enlarge photo. Enlarge Photo

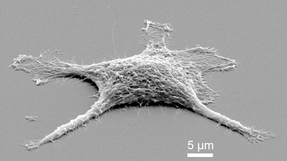
An electron microscope image of a zombie cell. Image courtesy of Bryan Kaehr

ZOMBIE CELL, first stage -- only moderately heated, the cell is now pure silica and needed a gold coating for a scanning electron microscope to image it.

Does life imitate art . . . or does art imitate life?

Few are certain, but researchers supported by the Department of Energy's Office of Science recently discovered that adding a smidgeon of silicon to cells can create incredible art . . . and possibly improve people's lives in a lot of different ways.

Specifically, scientists at Sandia National Laboratories and the University of New Mexico found a fairly simple way to create nearly perfect copies of mammalian cells using silica. To do so, they took their cue from life: Tiny algae-like creatures known as diatoms which can be found almost everywhere where there is water and light, and form unusual cell walls made partially of silica, a compound made up of silicon and oxygen that is commonly found in the sand. Diatoms are also an important part of plankton, the food of whales.

Sandia scientists sought to coat the much softer shells of mammal cells in similar fashion. So, in work supported by the Office of Science and published in the Proceedings of the National Academy of Sciences, they took some free floating cells, plopped them in a petri dish, added a touch of silicic acid and went home for the night. When they returned, the researchers heated the cells, and to their delight, they discovered nearly perfect replicas of the cells, inside and out.

The technique captured the intricate structures of the cells in incredible detail; from protein protrusions on their outsides to tiny groves of DNA deep within. What's more, the silica copies kept their forms under conditions of high heat and pressure.

Admittedly, this begs the question: Why would anyone want a group of cellular statuettes in silica? While presumably easy to show (in extremely small display cases), the replicas take a sophisticated microscope to truly appreciate, which would probably wreck any sort of grand exhibit.

But where art falters, life oft comes to the fore. That was true here, since instead of trying to create art, scientists were actually trying to solve the real-life problem of fabricating complex machines on extremely small scales. That's because cells create specific forms for specific functions. In doing so, cells easily do what humans struggle to, such as building sophisticated structures with nearly atomic precision or driving complicated chemical reactions with extreme speed and specificity.

Click to enlarge photo. Enlarge Photo

An electron microscope image of a zombie cell.Image courtesy of Bryan Kaehr

ZOMBIE CELL, ADVANCED -- This cell was pyrolized to 900 C in the absence of oxygen, leaving a cell of graphitic carbon and silica. Because carbon is conductive, the cell - practically identical to its protoplasmic original - doesn't need to be coated in gold to produce an SEM image.

So scientists will use their silica statuettes to learn more about how life creates the incredible art of living cells. They'll also run a variety of reactions through their silicon copies. Sandia scientists have already found that silica cells perform some functions better than their fleshy counterparts, earning them the sobriquet ‘zombie' cells.

In the future, scientists may use these silica structures to run a variety of new reactions to create new products. They could also use them in fuel cells and sensor technologies, possibly in addition to decontamination efforts. Scientists may even use the technique to create entirely new types of machines; programming entire groups of cells to grow into specific forms which will produce desired functions when set in silica.

The possibilities are just opening – from tiny silica cells to perhaps truly transformative technologies. That's the Office of Science research at work: The gifts of science and the gains of art.

A portion of this research was performed at the Center for Integrated Nanotechnologies, an Office of Science user facility. The Department's Office of Science is the single largest supporter of basic research in the physical sciences in the United States and is working to address some of the most pressing challenges of our time. For more information please visit http://science.energy.gov. For more information about the Center for Integrated Nanotechnologies, please go to http://cint.lanl.gov/.

Charles Rousseaux is a Senior Writer in the Office of Science.